ตาไก่อลูมิเนียม

ตาไก่อลูมิเนียม

ที่โรงงานในตงกวนของเรา Nuote Metals ผลิตตาไก่อะลูมิเนียมคุณภาพ เรามุ่งเน้นการผลิตตาไก่อะลูมิเนียมมาหลายปีแล้ว อลูมิเนียมของเราคัดสรรมาอย่างดีเพื่อให้ทั้งเบาและแข็งแรง ตาไก่อะลูมิเนียมเหล่านี้จะไม่เกิดสนิม และยังคงความสวยงามเอาไว้ เรามีตาไก่อะลูมิเนียมหลายขนาด บางตัวก็เล็กบางตัวก็ค่อนข้างใหญ่ เจ้าหน้าที่ของเราตรวจสอบรูอลูมิเนียมทุกอัน พวกเขาตรวจสอบรูปร่างและพื้นผิว ลูกค้ามักเลือกตาไก่อะลูมิเนียมของเรา พวกเขาพบว่าพวกเขาน่าเชื่อถือและดูดี เราจัดเตรียมตัวอย่างด่วนไว้สำหรับผู้ที่ต้องการทดลองใช้

ส่งคำถาม

รายละเอียดสินค้า

การแนะนำ

ตาไก่อะลูมิเนียมเป็นวงแหวนเล็กๆ ที่ทำจากอะลูมิเนียม ช่วยเสริมรูในเนื้อผ้าหรือวัสดุอื่นๆ ตาไก่อะลูมิเนียมมีน้ำหนักเบากว่าตาไก่โลหะส่วนใหญ่ ทำให้ง่ายต่อการจัดการและจัดส่ง พวกเขาปกป้องขอบของรูจากการสึกหรอ เมื่อดึงเชือกหรือเชือกเข้าไป วัสดุจะคงสภาพเดิม ตาไก่อะลูมิเนียมต้านทานน้ำและจะไม่เป็นสนิม พื้นผิวของพวกเขายังคงสดใสอยู่ตลอดเวลา ใช้เครื่องมือกดอย่างง่ายเพื่อตั้งตาไก่อะลูมิเนียม เมื่อกดเข้าที่แล้ว พวกมันจะอยู่อย่างปลอดภัยและไม่คลายตัว


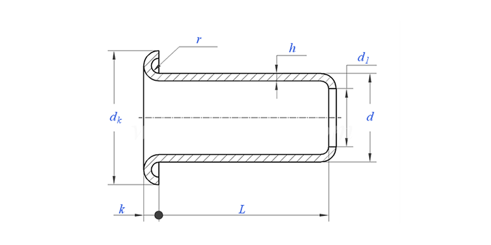
พารามิเตอร์ตาไก่อะลูมิเนียม (สเปค)



วัสดุ อลูมิเนียม
การรักษาพื้นผิว สะอาด ชุบซิงค์ ชุบนิกเกิล ชุบเงิน ตามความต้องการ
ใบรับรอง เป็นไปตามข้อกำหนด Rohs
เส้นผ่านศูนย์กลางก้าน 0.8-10มม
ความอดทน +/-0.05มม
แอปพลิเคชัน เหมาะสำหรับใช้ในอุตสาหกรรมต่างๆ ทั้งผ้า เต็นท์ ผ้าใบ เป็นต้น
การควบคุมคุณภาพ การตรวจสอบตลอดช่วงการผลิต 100% ช่วยให้มั่นใจได้ว่าผลิตภัณฑ์แต่ละชิ้นเป็นไปตามมาตรฐาน ISO รับประกันผลิตภัณฑ์คุณภาพสูง



ตาไก่อลูมิเนียมวาดดังต่อไปนี้:

การแสดงแอปพลิเคชัน:


คุณสมบัติและการใช้งานตาไก่อลูมิเนียม

ตาไก่อะลูมิเนียมมีการใช้งานมากมายในชีวิตประจำวัน พบได้ในรองเท้าผ้าใบและรองเท้าบูทน้ำหนักเบาสำหรับผูกเชือกรองเท้า เสื้อแจ็คเก็ตกันฝนและเสื้อกันลมใช้สำหรับร้อยสายฮู้ด กระเป๋าโท้ตและเป้สะพายหลังมักมีรูร้อยอลูมิเนียม เต็นท์ตั้งแคมป์และผ้าใบกันน้ำอาจรวมไว้สำหรับกายไลน์ด้วย อุปกรณ์กีฬา เช่น ธงและธงก็ใช้รูตาไก่อะลูมิเนียมเช่นกัน เคสและฝาครอบป้องกันบางชิ้นก็พึ่งพาเช่นกัน ตาไก่อะลูมิเนียมเหล่านี้ช่วยให้ผลิตภัณฑ์ใช้งานได้และเรียบร้อย ลูกค้าเลือกใช้รูร้อยอะลูมิเนียมของเราเนื่องจากมีน้ำหนักเบาและไม่เป็นสนิม เรามีความภาคภูมิใจในการผลิตตาไก่อะลูมิเนียมที่ทนทานที่นี่ในตงกวน


รายละเอียดการผลิตตาไก่อลูมิเนียม

ข้อมูลการบรรจุ

คำถามที่พบบ่อย:

Q1: MOQ ของคุณสำหรับตาไก่อลูมิเนียมคืออะไร?

ขั้นต่ำสำหรับหมุดย้ำคือ 20,000 ชิ้น


Q2: คุณสามารถปรับแต่งด้วยรูปวาดของเราได้หรือไม่?

ใช่ หมุดย้ำแบบท่อส่วนใหญ่ของเราตัดเย็บตามแบบของลูกค้า


คำถามที่ 3: คุณสามารถจัดหาตัวอย่างหมุดย้ำกลวงฟรีได้หรือไม่

เราสามารถจัดเตรียมตัวอย่างฟรีสำหรับขนาดที่เรามีในสต็อก แต่ลูกค้าจะชำระค่าธรรมเนียมด่วน


Q4: เวลาจัดส่งของคุณคือเท่าไร?

ขนาดของหมุดย้ำในสต็อก: 3-5 วัน หมุดที่ไม่ได้มาตรฐาน: 15-25 วัน เราจะทำการจัดส่งโดยเร็วที่สุดด้วยคุณภาพการรับประกัน


Q5: คุณภาพของผลิตภัณฑ์ของคุณ?

บริษัทมีอุปกรณ์การผลิตและการทดสอบขั้นสูง ผลิตภัณฑ์ทุกชิ้นจะได้รับการตรวจสอบโดยแผนก QC ของเรา 100% ก่อนจัดส่ง


คำถามที่ 6: ทำไมเราถึงเลือก Nuote Technology

1.We Nuote เคารพข้อกำหนดของลูกค้าเพื่อปกป้องโครงการความเป็นส่วนตัวของลูกค้า

2. คุณภาพสูงด้วยราคาที่น่าดึงดูด

3. ระยะเวลารอคอยที่รวดเร็ว

4.ข้อตกลงที่มีความสุขและความซื่อสัตย์ต่อลูกค้าและคู่ค้า

5. โฆษณาขายมืออาชีพตอบคำถามของคุณภายใน 8 ชั่วโมง

6.ผลิตภัณฑ์และบริการของ Nuote จำหน่ายไปยังกว่า 70 ประเทศและมีชื่อเสียงที่ดี


แท็กยอดนิยม: ตาไก่อลูมิเนียม, ตาไก่อลูมิเนียมจีน, ผู้ผลิตตาไก่อลูมิเนียม
หมวดหมู่ที่เกี่ยวข้อง
ส่งคำถาม
โปรดส่งคำถามของคุณในแบบฟอร์มด้านล่าง เราจะตอบกลับคุณภายใน 24 ชั่วโมง
สินค้าที่เกี่ยวข้อง
X
เราใช้คุกกี้เพื่อมอบประสบการณ์การท่องเว็บที่ดีขึ้น วิเคราะห์การเข้าชมไซต์ และปรับแต่งเนื้อหาในแบบของคุณ การใช้ไซต์นี้แสดงว่าคุณยอมรับการใช้คุกกี้ของเรา นโยบายความเป็นส่วนตัว