ตาไก่ SS

ตาไก่ SS

เราคือ Nuote Metals จากตงกวน โรงงานของเราผลิตตาไก่เอสเอสที่แข็งแกร่งทุกวัน SS แปลว่า สแตนเลส ตาไก่ SS เหล่านี้ไม่เป็นสนิมง่าย เราใช้สแตนเลสอย่างดีในการผลิต ตาไก่ SS ของเรามีหลายขนาด บางส่วนมีขนาดเล็กสำหรับสิ่งของที่มีน้ำหนักเบา บางตัวก็ใหญ่สำหรับการใช้งานหนัก ทีมงานของเราตรวจสอบตาไก่เอสเอสแต่ละอัน พวกเขาดูที่การตกแต่งและรูปร่าง ลูกค้าจำนวนมากเลือกตาไก่เอสเอสของเรา พวกเขาชอบที่มันติดทนนานและเงางาม เราสามารถสร้างตัวอย่างได้อย่างรวดเร็วสำหรับคำสั่งซื้อใหม่

ส่งคำถาม

รายละเอียดสินค้า

บทนำตาไก่ SS

ตาไก่ SS เป็นวงแหวนโลหะที่ทำจากสแตนเลส พวกมันทำให้รูในวัสดุแข็งแรงขึ้น ตาไก่ SS เหล่านี้ทำงานได้ดีในสถานที่เปียก ฝนหรือความชื้นไม่ทำให้เสียหาย พวกเขารักษาความแข็งแกร่งไว้เป็นเวลาหลายปี ในการติดตั้งรูร้อยสาย SS คุณต้องมีเครื่องกด เครื่องใส่รูร้อยเอสเอสเข้าไปในวัสดุ จากนั้นมันก็นั่งแน่นและไม่ขยับ ทำให้ผลิตภัณฑ์พร้อมสำหรับสภาวะที่ยากลำบาก


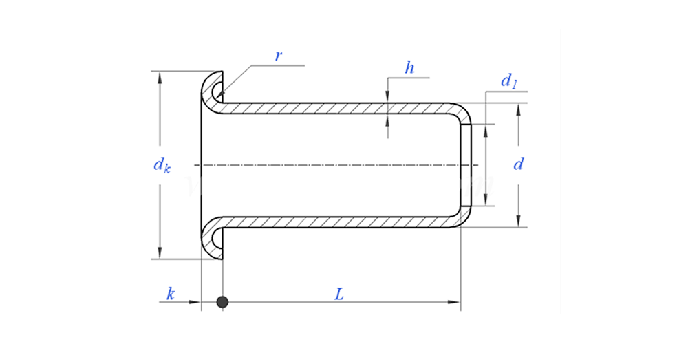
การวาดภาพดังต่อไปนี้:


พารามิเตอร์ตาไก่ SS (ข้อมูลจำเพาะ)


วัสดุ สแตนเลส
การรักษาพื้นผิว สะอาด ชุบซิงค์ ชุบนิกเกิล ชุบเงิน ตามความต้องการ
ใบรับรอง เป็นไปตามข้อกำหนด Rohs
เส้นผ่านศูนย์กลางก้าน 0.8-10มม
ความอดทน +/-0.05มม
แอปพลิเคชัน เหมาะสำหรับใช้ในอุตสาหกรรมต่างๆ เช่น ยานยนต์ การบินและอวกาศ ไฟฟ้า และอิเล็กทรอนิกส์ เป็นต้น
การควบคุมคุณภาพ การตรวจสอบตลอดช่วงการผลิต 100% ช่วยให้มั่นใจได้ว่าผลิตภัณฑ์แต่ละชิ้นเป็นไปตามมาตรฐาน ISO รับประกันผลิตภัณฑ์คุณภาพสูง



คุณสมบัติและการประยุกต์ใช้ตาไก่ SS

ตาไก่ SS ถูกนำมาใช้ในหลาย ๆ สิ่ง อุปกรณ์กลางแจ้งเช่นเต็นท์ใช้ตาไก่เอสเอสสำหรับเชือก กระเป๋าและรองเท้าจำเป็นต้องใช้สำหรับเชือกผูกรองเท้าและสายรัด ผ้าม่านห้องครัวบางครั้งก็มีรูตาไก่ SS เช่นกัน เสื้อผ้าและชุดทำงานใช้รูตาไก่ SS เพื่อความทนทาน เรือและสิ่งของทางทะเลต้องใช้รูตาไก่แบบ SS เนื่องจากทนทานต่อน้ำเค็ม แม้แต่เครื่องมือและอุปกรณ์บางอย่างก็ยังใช้รูตาไก่เอสเอส ตาไก่ SS เหล่านี้ช่วยให้ผลิตภัณฑ์มีความแข็งแรงและเรียบร้อย ลูกค้าของเราไว้วางใจตาไก่ SS ของเราสำหรับโครงการของพวกเขา พวกเขารู้ว่าตาไก่เหล่านี้จะไม่เกิดสนิมหรือแตกหัก เราภูมิใจที่ได้สร้างตาไก่ ss ที่ดีที่นี่ในตงกวน


รายละเอียดตาไก่ SS

ข้อมูลการบรรจุตาไก่ SS

คำถามที่พบบ่อย:

Q1: MOQ ของคุณสำหรับตาไก่สแตนเลสคืออะไร?

ขั้นต่ำสำหรับหมุดย้ำคือ 20,000 ชิ้น


Q2: คุณสามารถปรับแต่งด้วยรูปวาดของเราได้หรือไม่?

ใช่ หมุดย้ำแบบท่อส่วนใหญ่ของเราตัดเย็บตามแบบของลูกค้า


คำถามที่ 3: คุณสามารถจัดหาตัวอย่างหมุดย้ำกลวงฟรีได้หรือไม่

เราสามารถจัดเตรียมตัวอย่างฟรีสำหรับขนาดที่เรามีในสต็อก แต่ลูกค้าจะชำระค่าธรรมเนียมด่วน


Q4: เวลาจัดส่งของคุณคือเท่าไร?

ขนาดของหมุดย้ำในสต็อก: 3-5 วัน หมุดที่ไม่ได้มาตรฐาน: 15-25 วัน เราจะทำการจัดส่งโดยเร็วที่สุดด้วยคุณภาพการรับประกัน


Q5: คุณภาพของผลิตภัณฑ์ของคุณ?

บริษัทมีอุปกรณ์การผลิตและการทดสอบขั้นสูง ผลิตภัณฑ์ทุกชิ้นจะได้รับการตรวจสอบโดยแผนก QC ของเรา 100% ก่อนจัดส่ง


คำถามที่ 6: ทำไมเราถึงเลือก Nuote Technology

1.We Nuote เคารพข้อกำหนดของลูกค้าเพื่อปกป้องโครงการความเป็นส่วนตัวของลูกค้า

2. คุณภาพสูงด้วยราคาที่น่าดึงดูด

3. ระยะเวลารอคอยที่รวดเร็ว

4.ข้อตกลงที่มีความสุขและความซื่อสัตย์ต่อลูกค้าและคู่ค้า

5. โฆษณาขายมืออาชีพตอบคำถามของคุณภายใน 8 ชั่วโมง

6.ผลิตภัณฑ์และบริการของ Nuote จำหน่ายไปยังกว่า 70 ประเทศและมีชื่อเสียงที่ดี


แท็กยอดนิยม: ตาไก่ SS, โรงงานตาไก่ในจีน, ผู้ผลิตตาไก่ SS
หมวดหมู่ที่เกี่ยวข้อง
ส่งคำถาม
โปรดส่งคำถามของคุณในแบบฟอร์มด้านล่าง เราจะตอบกลับคุณภายใน 24 ชั่วโมง
X
เราใช้คุกกี้เพื่อมอบประสบการณ์การท่องเว็บที่ดีขึ้น วิเคราะห์การเข้าชมไซต์ และปรับแต่งเนื้อหาในแบบของคุณ การใช้ไซต์นี้แสดงว่าคุณยอมรับการใช้คุกกี้ของเรา นโยบายความเป็นส่วนตัว