ปลอกยางเหล็ก

ปลอกยางเหล็ก

สวัสดีจากตงกวน ประเทศจีน เราคือ Nuote Metals ที่นี่เราทำปลอกยางเหล็กที่แข็งแรง โรงงานของเราผลิตปลอกยางเหล็กทุกวัน เราใช้วัสดุเหล็กอย่างดี เหล็กชนิดนี้มีความหนาและทนทาน เราทำปลอกยางเหล็กหลายขนาด บางส่วนมีขนาดเล็ก บางตัวก็ใหญ่มาก ปลอกยางเหล็กทุกชิ้นได้รับการตรวจสอบโดยทีมงานของเรา พวกเขาดูแต่ละชิ้นอย่างระมัดระวัง ลูกค้าจำนวนมากซื้อปลอกยางเหล็กของเราซ้ำแล้วซ้ำอีก พวกเขาชอบคุณภาพของเรา พวกเขาไว้วางใจผลิตภัณฑ์ของเรา เราทำงานอย่างหนักเพื่อสร้างวงแหวนเหล็กที่ดีสำหรับทุกคน

ส่งคำถาม

รายละเอียดสินค้า

บทนำ Grommet เหล็ก

วงแหวนเหล็กเป็นวงแหวนโลหะธรรมดา มันเข้าไปในรูในผ้าหรือหนัง วงแหวนเหล็กทำให้รูแข็งแรง เมื่อสอดเชือกเข้าไป รูก็ไม่ขาด วงแหวนเหล็กทำงานได้ดีภายนอก พวกเขาไม่เป็นสนิมง่าย ฝนและแสงแดดไม่ได้สร้างความเสียหายมากนัก หากต้องการใส่วงแหวนเหล็ก คุณต้องมีเครื่องจักร เครื่องกดวงแหวนเหล็กเข้าไปในวัสดุ แล้วมันก็อยู่ที่นั่นเป็นเวลานาน มันไม่หลุดออกมา นี่คือวิธีที่แหวนยางเหล็กช่วยให้สิ่งของมีอายุการใช้งานยาวนาน



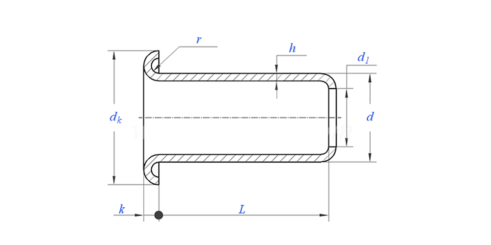
พารามิเตอร์ Grommet เหล็ก (ข้อมูลจำเพาะ)



วัสดุ เหล็ก
การรักษาพื้นผิว สะอาด ชุบซิงค์ ชุบนิกเกิล ชุบเงิน ตามความต้องการ
ใบรับรอง เป็นไปตามข้อกำหนด Rohs
เส้นผ่านศูนย์กลางก้าน 0.8-10มม
ความอดทน +/-0.05มม
แอปพลิเคชัน เหมาะสำหรับใช้ในอุตสาหกรรมต่างๆ เช่น ยานยนต์ การบินและอวกาศ ไฟฟ้า และอิเล็กทรอนิกส์ เป็นต้น
การควบคุมคุณภาพ การตรวจสอบตลอดช่วงการผลิต 100% ช่วยให้มั่นใจได้ว่าผลิตภัณฑ์แต่ละชิ้นเป็นไปตามมาตรฐาน ISO รับประกันผลิตภัณฑ์คุณภาพสูง




ภาพวาด Grommet เหล็กดังต่อไปนี้:


คุณสมบัติและการใช้งาน Grommet เหล็ก

วงแหวนเหล็กถูกนำมาใช้ในหลายสถานที่ ผ้าคลุมรถบรรทุกใช้ห่วงยางเหล็กในการมัด เต็นท์ต้องใช้วงแหวนเหล็กสำหรับร้อยเชือก กระเป๋ามีห่วงเหล็กสำหรับที่จับ รองเท้าบางรุ่นใช้วงแหวนเหล็กสำหรับร้อยเชือกรองเท้า ชุดทำงานก็มีวงแหวนเหล็กด้วย ป้ายกลางแจ้งมักใช้ห่วงเหล็กในการแขวน แม้แต่เรือก็ยังใช้วงแหวนเหล็กเป็นฝาปิด ปลอกยางเหล็กมีอยู่ทั่วไป พวกเขาช่วยเก็บสิ่งต่าง ๆ ไว้ด้วยกัน และทำให้สิ่งต่าง ๆ แข็งแกร่งและปลอดภัย ลูกค้าของเราเลือกวงแหวนเหล็กของเราเนื่องจากใช้งานได้ดี พวกเขารู้ว่าวงแหวนเหล็กของเราจะไม่ทำให้พวกเขาผิดหวัง เราภูมิใจที่ได้สร้างผลิตภัณฑ์ที่มีประโยชน์เช่นนี้ในตงกวน


รายละเอียด Grommet เหล็ก

ข้อมูลการบรรจุ Grommet เหล็ก

คำถามที่พบบ่อย:

Q1: MOQ ของคุณสำหรับ Steel Grommet คืออะไร?

ขั้นต่ำสำหรับหมุดย้ำคือ 20,000 ชิ้น


Q2: คุณสามารถปรับแต่งด้วยรูปวาดของเราได้หรือไม่?

ใช่ หมุดย้ำแบบท่อส่วนใหญ่ของเราตัดเย็บตามแบบของลูกค้า


คำถามที่ 3: คุณสามารถจัดหาตัวอย่างหมุดย้ำกลวงฟรีได้หรือไม่

เราสามารถจัดเตรียมตัวอย่างฟรีสำหรับขนาดที่เรามีในสต็อก แต่ลูกค้าจะชำระค่าธรรมเนียมด่วน


Q4: เวลาจัดส่งของคุณคือเท่าไร?

ขนาดของหมุดย้ำในสต็อก: 3-5 วัน หมุดที่ไม่ได้มาตรฐาน: 15-25 วัน เราจะทำการจัดส่งโดยเร็วที่สุดด้วยคุณภาพการรับประกัน


Q5: คุณภาพของผลิตภัณฑ์ของคุณ?

บริษัทมีอุปกรณ์การผลิตและการทดสอบขั้นสูง ผลิตภัณฑ์ทุกชิ้นจะได้รับการตรวจสอบโดยแผนก QC ของเรา 100% ก่อนจัดส่ง


คำถามที่ 6: ทำไมเราถึงเลือก Nuote Technology

1.We Nuote เคารพข้อกำหนดของลูกค้าเพื่อปกป้องโครงการความเป็นส่วนตัวของลูกค้า

2. คุณภาพสูงด้วยราคาที่น่าดึงดูด

3. ระยะเวลารอคอยที่รวดเร็ว

4.ข้อตกลงที่มีความสุขและความซื่อสัตย์ต่อลูกค้าและคู่ค้า

5. โฆษณาขายมืออาชีพตอบคำถามของคุณภายใน 8 ชั่วโมง

6.ผลิตภัณฑ์และบริการของ Nuote จำหน่ายไปยังกว่า 70 ประเทศและมีชื่อเสียงที่ดี

แท็กยอดนิยม: Grommet เหล็ก,Grommet เหล็กจีน,ผู้ผลิต Grommet เหล็ก
หมวดหมู่ที่เกี่ยวข้อง
ส่งคำถาม
โปรดส่งคำถามของคุณในแบบฟอร์มด้านล่าง เราจะตอบกลับคุณภายใน 24 ชั่วโมง
X
เราใช้คุกกี้เพื่อมอบประสบการณ์การท่องเว็บที่ดีขึ้น วิเคราะห์การเข้าชมไซต์ และปรับแต่งเนื้อหาในแบบของคุณ การใช้ไซต์นี้แสดงว่าคุณยอมรับการใช้คุกกี้ของเรา นโยบายความเป็นส่วนตัว