ตาไก่สำหรับ PCB
  • ตาไก่สำหรับ PCB ตาไก่สำหรับ PCB

ตาไก่สำหรับ PCB

ตาไก่สำหรับ PCB มีรูปแบบทรงกระบอกที่ทนทาน ซึ่งเพิ่มการเสริมแรงให้กับรูที่เจาะด้วยวัสดุหลากหลายชนิด ช่วยป้องกันการหลุดลุ่ยและให้ขอบที่เรียบร้อยสะอาดตา Nuote Metals เป็นผู้ผลิตตาไก่ PCB ในประเทศจีนมานานกว่า 10 ปี เรามีสต็อกหลายขนาด

ส่งคำถาม

รายละเอียดสินค้า

การแนะนำตาไก่สำหรับ PCB


รูปร่างรูร้อยสายที่พบบ่อยที่สุดคือรูร้อยสายกลมมาตรฐาน ซึ่งใช้กันอย่างแพร่หลายเนื่องจากมีการออกแบบที่เรียบง่ายและมีประสิทธิภาพ ตาไก่ PCB มักจะแบนบนหัว


ตาไก่สำหรับ PCB


eyelets for PCB


การประยุกต์ใช้ตาไก่โลหะแสดง:


eyelets for PCB



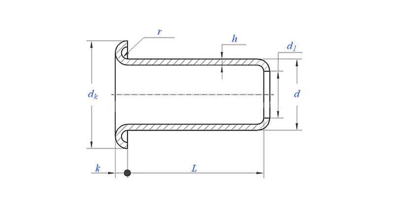
พารามิเตอร์ผลิตภัณฑ์ (ข้อมูลจำเพาะ)


วัสดุ

ทองเหลือง, เหล็ก, ทองแดง, สแตนเลส

การรักษาพื้นผิว

สะอาด ชุบซิงค์ ชุบนิกเกิล ชุบเงิน ตามความต้องการ

ใบรับรอง

เป็นไปตามข้อกำหนด Rohs

เส้นผ่านศูนย์กลางก้าน

0.8-10มม

ความอดทน

+/-0.05มม

แอปพลิเคชัน

- เหมาะสำหรับใช้ในอุตสาหกรรมต่างๆ ได้แก่ยานยนต์ การบินและอวกาศ ไฟฟ้าและอิเล็กทรอนิกส์ ฯลฯ

การควบคุมคุณภาพ

การตรวจสอบตลอดช่วงการผลิต 100% ช่วยให้มั่นใจได้ว่าผลิตภัณฑ์แต่ละชิ้นเป็นไปตามมาตรฐาน ISO รับประกันผลิตภัณฑ์คุณภาพสูง


คุณสมบัติของผลิตภัณฑ์และการใช้งาน


รูร้อยสาย PCB เป็นรูที่ใช้บ่อยที่สุดและสร้างขึ้นโดยการเจาะรูผ่านส่วนบนของแผงวงจรพิมพ์


ตาไก่สำหรับรายละเอียดการผลิต PCB


eyelets for PCB


ข้อมูลการบรรจุ


eyelets for PCB


คำถามที่พบบ่อย:


Q1: MOQ ของคุณสำหรับตาไก่สำหรับ PCB คืออะไร?

ขั้นต่ำสำหรับหมุดย้ำคือ 20,000 ชิ้น


Q2: คุณสามารถปรับแต่งด้วยรูปวาดของเราได้หรือไม่?

ใช่ ตาไก่ PCB ส่วนใหญ่ของเราตัดเย็บตามรูปวาดของลูกค้า


คำถามที่ 3: คุณสามารถจัดหาตัวอย่างหมุดย้ำกลวงฟรีได้หรือไม่

เราสามารถจัดเตรียมตัวอย่างฟรีสำหรับขนาดที่เรามีในสต็อก แต่ลูกค้าจะชำระค่าธรรมเนียมด่วน


Q4: เวลาจัดส่งของคุณคือเท่าไร?

ขนาดของหมุดย้ำในสต็อก: 3-5 วัน หมุดที่ไม่ได้มาตรฐาน: 15-25 วัน เราจะทำการจัดส่งโดยเร็วที่สุดด้วยคุณภาพการรับประกัน


Q5: คุณภาพของผลิตภัณฑ์ของคุณ?

บริษัทมีอุปกรณ์การผลิตและการทดสอบขั้นสูง ผลิตภัณฑ์ทุกชิ้นจะได้รับการตรวจสอบโดยแผนก QC ของเรา 100% ก่อนจัดส่ง


คำถามที่ 6: ทำไมเราถึงเลือก Nuote Technology

1.We Nuote เคารพข้อกำหนดของลูกค้าเพื่อปกป้องโครงการความเป็นส่วนตัวของลูกค้า

2. คุณภาพสูงด้วยราคาที่น่าดึงดูด

3. ระยะเวลารอคอยที่รวดเร็ว

4.ข้อตกลงที่มีความสุขและความซื่อสัตย์ต่อลูกค้าและคู่ค้า

5. โฆษณาขายมืออาชีพตอบคำถามของคุณภายใน 8 ชั่วโมง

6.ผลิตภัณฑ์และบริการของ Nuote จำหน่ายไปยังกว่า 70 ประเทศและมีชื่อเสียงที่ดี


แท็กยอดนิยม: ตาไก่สำหรับ PCB
หมวดหมู่ที่เกี่ยวข้อง
ส่งคำถาม
โปรดส่งคำถามของคุณในแบบฟอร์มด้านล่าง เราจะตอบกลับคุณภายใน 24 ชั่วโมง
X
เราใช้คุกกี้เพื่อมอบประสบการณ์การท่องเว็บที่ดีขึ้น วิเคราะห์การเข้าชมไซต์ และปรับแต่งเนื้อหาในแบบของคุณ การใช้ไซต์นี้แสดงว่าคุณยอมรับการใช้คุกกี้ของเรา นโยบายความเป็นส่วนตัว