หมุดย้ำท่ออลูมิเนียมยังสามารถเรียกได้ว่าเป็นหมุดย้ำท่ออลูมิเนียมเนื่องจากมีน้ำหนักเบาจึงมีราคาถูกมากเมื่อเทียบกับวัสดุอื่นๆ และเนื่องจากวัสดุอลูมิเนียมมีความทนทานต่อการกัดกร่อนตามธรรมชาติ ทำให้เหมาะสำหรับสภาพแวดล้อมกลางแจ้งและสภาพแวดล้อมที่รุนแรง
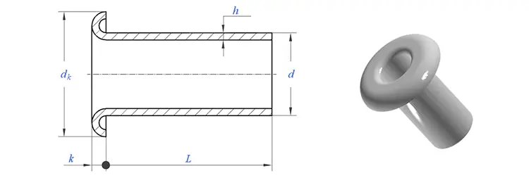
หมุดย้ำท่ออลูมิเนียม (หมุดย้ำอลูมิเนียมกลวง)

การออกแบบเพลากลวงทำให้หมุดย้ำท่ออลูมิเนียม- ต้องใช้แรงในการประกอบน้อยกว่าเมื่อเทียบกับหมุดย้ำแข็งหรือหมุดกึ่งท่อ มีการใช้กันอย่างแพร่หลายในงานไฟฟ้าและอิเล็กทรอนิกส์ ยานยนต์ การบินและอวกาศ และการก่อสร้าง รวมถึงการต่อวัสดุบางๆ เช่น พลาสติกไม้ หนัง และโลหะแผ่น
Q1: MOQ ของคุณมีไว้เพื่ออะไรหมุดย้ำท่ออลูมิเนียม?
ขั้นต่ำสำหรับหมุดย้ำคือ 20,000 ชิ้น
Q2: คุณสามารถปรับแต่งด้วยรูปวาดของเราได้หรือไม่?
ใช่แล้ว ส่วนใหญ่ของเราหมุดย้ำท่อ กำลังตัดเย็บตามรูปวาดของลูกค้า
คำถามที่ 3: คุณสามารถให้ตัวอย่างฟรีของหมุดย้ำกลวง?
เราสามารถจัดเตรียมตัวอย่างฟรีสำหรับขนาดที่เรามีในสต็อก แต่ลูกค้าจะชำระค่าธรรมเนียมด่วน
Q4: เวลาในการจัดส่งของคุณคือเท่าไร?
ขนาดของหมุดย้ำในสต็อก: 3-5 วัน หมุดที่ไม่ได้มาตรฐาน: 15-25 วัน เราจะทำการจัดส่งโดยเร็วที่สุดด้วยคุณภาพการรับประกัน
Q5: คุณภาพของผลิตภัณฑ์ของคุณ?
บริษัทมีอุปกรณ์การผลิตและการทดสอบขั้นสูง ผลิตภัณฑ์ทุกชิ้นจะได้รับการตรวจสอบโดยแผนก QC ของเรา 100% ก่อนจัดส่ง
คำถามที่ 6: ทำไมเราถึงเลือก Nuote Technology
1.We Nuote เคารพข้อกำหนดของลูกค้าเพื่อปกป้องโครงการความเป็นส่วนตัวของลูกค้า
2. คุณภาพสูงด้วยราคาที่น่าดึงดูด
3. ระยะเวลารอคอยที่รวดเร็ว
4.ข้อตกลงที่มีความสุขและความซื่อสัตย์ต่อลูกค้าและคู่ค้า
5. โฆษณาขายมืออาชีพตอบคำถามของคุณภายใน 8 ชั่วโมง
6.ผลิตภัณฑ์และบริการของ Nuote จำหน่ายไปยังกว่า 70 ประเทศและมีชื่อเสียงที่ดี