ตาไก่แบนเนอร์

ตาไก่แบนเนอร์

เราคือ Nuote Metals จากตงกวน ประเทศจีน เราทำตาไก่แบนเนอร์สำหรับแบนเนอร์โฆษณา โรงงานของเราผลิตตาไก่แบนเนอร์มาหลายปีแล้ว เราใช้วัสดุที่แข็งแรงเพื่อทำรูร้อยเชือกของเรา ทองเหลืองและเหล็กกล้าเป็นวัสดุหลักของเรา เราทำตาไก่แบนเนอร์ในรูปแบบต่างๆ ขนาด แบนเนอร์ขนาดเล็กใช้รูร้อยแบนเนอร์ขนาดเล็ก แบนเนอร์ขนาดใหญ่ต้องมีรูร้อยแบนเนอร์ขนาดใหญ่ ทุกๆ ตาไก่แบนเนอร์ได้รับการตรวจสอบโดยคนงานของเราก่อนจัดส่ง พวกเขาทำให้แน่ใจว่าแต่ละชิ้นสมบูรณ์แบบ บริษัทโฆษณาหลายแห่งใช้รูร้อยแบนเนอร์ของเรา พวกเขาชอบคุณภาพและราคาที่ดีของเรา เราสามารถสร้างตัวอย่างได้อย่างรวดเร็วสำหรับลูกค้าใหม่

ส่งคำถาม

รายละเอียดสินค้า

บทนำตาไก่แบนเนอร์

ตาไก่แบนเนอร์เป็นวงแหวนโลหะสำหรับแบนเนอร์ พวกมันจะถูกวางไว้ตามขอบของแบนเนอร์ เชือกหรือเชือกต้องลอดผ่านรูร้อยแบนเนอร์เหล่านี้ รูร้อยแบนเนอร์ช่วยให้แขวนแบนเนอร์ได้ง่าย พวกเขาปกป้องรูแบนเนอร์จากการฉีกขาด ตาไก่แบนเนอร์ที่ดีทนทานต่อลมและฝน ไม่เป็นสนิมหรือแตกหักง่าย การติดตั้งตาไก่แบนเนอร์ต้องใช้เครื่องจักรพิเศษ เครื่องจะกดรูร้อยแบนเนอร์แต่ละอันเข้าไปในวัสดุแบนเนอร์ จากนั้นรูร้อยแบนเนอร์จะเข้าที่อย่างแน่นหนา ทำให้แบนเนอร์พร้อมใช้งานกลางแจ้ง


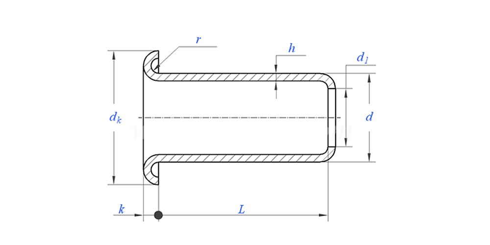
พารามิเตอร์ตาไก่แบนเนอร์ (ข้อมูลจำเพาะ)



วัสดุ ทองเหลือง, เหล็ก, อลูมิเนียม, สแตนเลส, ทองแดง
การรักษาพื้นผิว สะอาด ชุบซิงค์ ชุบนิกเกิล ชุบเงิน ตามความต้องการ
ใบรับรอง เป็นไปตามข้อกำหนด Rohs
เส้นผ่านศูนย์กลางก้าน 0.8-10มม
ความอดทน +/-0.05มม
แอปพลิเคชัน เหมาะสำหรับใช้ในอุตสาหกรรมต่างๆ เช่น ยานยนต์ การบินและอวกาศ ไฟฟ้า และอิเล็กทรอนิกส์ เป็นต้น
การควบคุมคุณภาพ การตรวจสอบตลอดช่วงการผลิต 100% ช่วยให้มั่นใจได้ว่าผลิตภัณฑ์แต่ละชิ้นเป็นไปตามมาตรฐาน ISO รับประกันผลิตภัณฑ์คุณภาพสูง



ตาไก่แบนเนอร์วาดดังต่อไปนี้:

ตาไก่แบนเนอร์แสดงการใช้งาน:

คุณสมบัติและการประยุกต์ใช้ตาไก่แบนเนอร์

ตาไก่แบนเนอร์ถูกใช้ทุกที่ ป้ายร้านค้าต้องมีรูร้อยแบนเนอร์เพื่อแขวน แบนเนอร์งานใช้รูร้อยแบนเนอร์สำหรับเสา ป้ายถนนมีตาไก่สำหรับเชือก ป้ายกีฬาต้องมีรูร้อยแบนเนอร์สำหรับสนามกีฬา แบนเนอร์เทศกาลก็ใช้รูร้อยแบนเนอร์เช่นกัน แม้แต่ป้ายในร่มบางครั้งก็จำเป็นต้องมีรูร้อยแบนเนอร์ ตาไก่แบนเนอร์เหล่านี้ช่วยให้แบนเนอร์มีอายุการใช้งานยาวนานและดูเรียบร้อย นั่นคือเหตุผลว่าทำไมรูร้อยแบนเนอร์ที่ดีจึงมีความสำคัญสำหรับการโฆษณา ลูกค้าของเราไว้วางใจรูร้อยแบนเนอร์ของเราสำหรับแบนเนอร์ของพวกเขา พวกเขารู้ว่ารูร้อยเชือกของเราทำงานได้ดีในทุกสภาพอากาศ


รายละเอียดการผลิตตาไก่แบนเนอร์

ข้อมูลการบรรจุตาไก่แบนเนอร์

คำถามที่พบบ่อย:

Q1: อะไรคือขั้นต่ำของคุณสำหรับตาไก่แบนเนอร์?

ขั้นต่ำสำหรับหมุดย้ำคือ 20,000 ชิ้น


Q2: คุณสามารถปรับแต่งด้วยรูปวาดของเราได้หรือไม่?

ใช่ หมุดย้ำแบบท่อส่วนใหญ่ของเราตัดเย็บตามแบบของลูกค้า


คำถามที่ 3: คุณสามารถจัดหาตัวอย่างหมุดย้ำกลวงฟรีได้หรือไม่

เราสามารถจัดเตรียมตัวอย่างฟรีสำหรับขนาดที่เรามีในสต็อก แต่ลูกค้าจะชำระค่าธรรมเนียมด่วน


Q4: เวลาจัดส่งของคุณคือเท่าไร?

ขนาดของหมุดย้ำในสต็อก: 3-5 วัน หมุดที่ไม่ได้มาตรฐาน: 15-25 วัน เราจะทำการจัดส่งโดยเร็วที่สุดด้วยคุณภาพการรับประกัน


Q5: คุณภาพของผลิตภัณฑ์ของคุณ?

บริษัทมีอุปกรณ์การผลิตและการทดสอบขั้นสูง ผลิตภัณฑ์ทุกชิ้นจะได้รับการตรวจสอบโดยแผนก QC ของเรา 100% ก่อนจัดส่ง


คำถามที่ 6: ทำไมเราถึงเลือก Nuote Technology

1.We Nuote เคารพข้อกำหนดของลูกค้าเพื่อปกป้องโครงการความเป็นส่วนตัวของลูกค้า

2. คุณภาพสูงด้วยราคาที่น่าดึงดูด

3. ระยะเวลารอคอยที่รวดเร็ว

4.ข้อตกลงที่มีความสุขและความซื่อสัตย์ต่อลูกค้าและคู่ค้า

5. โฆษณาขายมืออาชีพตอบคำถามของคุณภายใน 8 ชั่วโมง

6.ผลิตภัณฑ์และบริการของ Nuote จำหน่ายไปยังกว่า 70 ประเทศและมีชื่อเสียงที่ดี


แท็กยอดนิยม: ตาไก่แบนเนอร์, ตาไก่แบนเนอร์ของจีน, ผู้ผลิตตาไก่แบนเนอร์
หมวดหมู่ที่เกี่ยวข้อง
ส่งคำถาม
โปรดส่งคำถามของคุณในแบบฟอร์มด้านล่าง เราจะตอบกลับคุณภายใน 24 ชั่วโมง
X
เราใช้คุกกี้เพื่อมอบประสบการณ์การท่องเว็บที่ดีขึ้น วิเคราะห์การเข้าชมไซต์ และปรับแต่งเนื้อหาในแบบของคุณ การใช้ไซต์นี้แสดงว่าคุณยอมรับการใช้คุกกี้ของเรา นโยบายความเป็นส่วนตัว