ตาไก่โลหะ

ตาไก่โลหะ

คุณคงเคยเห็นตาไก่โลหะมาหลายครั้งโดยไม่สังเกตเห็นด้วยซ้ำ เป็นวงแหวนโลหะเล็กๆ ที่ช่วยเสริมรูในผลิตภัณฑ์ทุกประเภท รูร้อยสายโลหะอาจดูเรียบง่าย แต่ได้รับการออกแบบมาเพื่อแก้ไขปัญหาทั่วไป นั่นคือ ป้องกันไม่ให้รูฉีกขาดหรือชำรุด ไม่ว่าจะอยู่ในรองเท้าหรือกระเป๋าเป้ ส่วนประกอบเล็กๆ นี้ทำงานอย่างหนักเพื่อให้สิ่งของต่างๆ ใช้งานได้ยาวนานขึ้น

ส่งคำถาม

รายละเอียดสินค้า

บทนำของตาไก่โลหะ

การใส่รูร้อยสายโลหะนั้นค่อนข้างตรงไปตรงมา วางชิ้นส่วนหลักผ่านวัสดุ จากนั้นกดชิ้นแหวนรองที่ด้านหลัง เครื่องมือพิเศษสามารถทำได้อย่างรวดเร็ว แต่แม้แต่เครื่องมือง่ายๆ ก็ใช้ได้ดี สิ่งที่ยอดเยี่ยมเกี่ยวกับรูร้อยสายโลหะคือช่วยปกป้องวัสดุรอบๆ รูจากการสึกหรอ ทำให้ทุกอย่างเรียบร้อยและแข็งแรง


การแสดงตาไก่โลหะ:

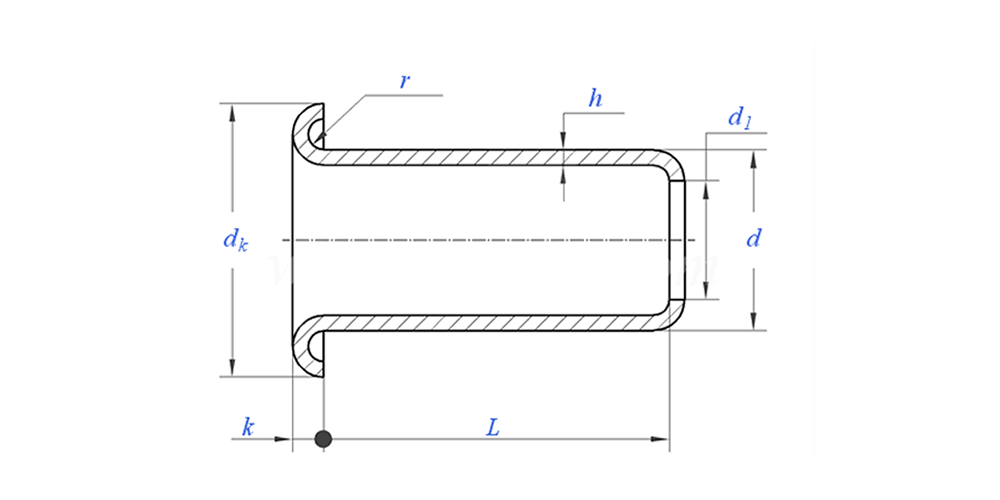
การวาดตาไก่โลหะดังต่อไปนี้:


พารามิเตอร์ตาไก่โลหะ (สเปค)



วัสดุ ทองเหลือง, เหล็ก, อลูมิเนียม, สแตนเลส, ทองแดง
การรักษาพื้นผิว สะอาด ชุบซิงค์ ชุบนิกเกิล ชุบเงิน ตามความต้องการ
ใบรับรอง เป็นไปตามข้อกำหนด Rohs
เส้นผ่านศูนย์กลางก้าน 0.8-10มม
ความอดทน +/-0.05มม
แอปพลิเคชัน เหมาะสำหรับใช้ในอุตสาหกรรมต่างๆ เช่น ยานยนต์ การบินและอวกาศ ไฟฟ้า และอิเล็กทรอนิกส์ เป็นต้น
การควบคุมคุณภาพ การตรวจสอบตลอดช่วงการผลิต 100% ช่วยให้มั่นใจได้ว่าผลิตภัณฑ์แต่ละชิ้นเป็นไปตามมาตรฐาน ISO รับประกันผลิตภัณฑ์คุณภาพสูง



คุณสมบัติและการใช้งานตาไก่โลหะ

คุณจะแปลกใจว่ามีตาไก่โลหะที่ทำงานหนักอยู่กี่แห่ง นี่เป็นสาเหตุที่รูผูกรองเท้าของคุณไม่ฉีกขาดหลังจากใช้งานซ้ำๆ สำหรับอุปกรณ์กลางแจ้ง เช่น เต็นท์และใบเรือ ตาไก่โลหะสามารถรับมือกับสภาพอากาศที่ยากลำบากได้โดยไม่ล้มเหลว ยังจำเป็นในสภาพแวดล้อมทางอุตสาหกรรมอีกด้วย ซึ่งช่วยจัดระเบียบสายเคเบิลและสายไฟ เมื่อใดก็ตามที่มีรูที่ต้องการการปกป้อง คุณจะพบรูร้อยโลหะที่ทำหน้าที่ของมัน


รายละเอียดการผลิตตาไก่โลหะ

ข้อมูลการบรรจุ

คำถามที่พบบ่อย:

Q1: MOQ ของคุณสำหรับตาไก่โลหะคืออะไร?

ขั้นต่ำสำหรับหมุดย้ำคือ 20,000 ชิ้น


Q2: คุณสามารถปรับแต่งด้วยรูปวาดของเราได้หรือไม่?

ใช่ หมุดย้ำแบบท่อส่วนใหญ่ของเราตัดเย็บตามแบบของลูกค้า


คำถามที่ 3: คุณสามารถจัดหาตัวอย่างหมุดย้ำกลวงฟรีได้หรือไม่

เราสามารถจัดเตรียมตัวอย่างฟรีสำหรับขนาดที่เรามีในสต็อก แต่ลูกค้าจะชำระค่าธรรมเนียมด่วน


Q4: เวลาในการจัดส่งของคุณคือเท่าไร?

ขนาดของหมุดย้ำในสต็อก: 3-5 วัน หมุดที่ไม่ได้มาตรฐาน: 15-25 วัน เราจะทำการจัดส่งโดยเร็วที่สุดด้วยคุณภาพการรับประกัน


Q5: คุณภาพของผลิตภัณฑ์ของคุณ?

บริษัทมีอุปกรณ์การผลิตและการทดสอบขั้นสูง ผลิตภัณฑ์ทุกชิ้นจะได้รับการตรวจสอบโดยแผนก QC ของเรา 100% ก่อนจัดส่ง


คำถามที่ 6: ทำไมเราถึงเลือก Nuote Technology

1.We Nuote เคารพข้อกำหนดของลูกค้าเพื่อปกป้องโครงการความเป็นส่วนตัวของลูกค้า

2. คุณภาพสูงด้วยราคาที่น่าดึงดูด

3. ระยะเวลารอคอยที่รวดเร็ว

4.ข้อตกลงที่มีความสุขและความซื่อสัตย์ต่อลูกค้าและคู่ค้า

5. โฆษณาขายมืออาชีพตอบคำถามของคุณภายใน 8 ชั่วโมง

6.ผลิตภัณฑ์และบริการของ Nuote จำหน่ายไปยังกว่า 70 ประเทศและมีชื่อเสียงที่ดี


แท็กยอดนิยม: ตาไก่โลหะ,ตาไก่โลหะของจีน,โรงงานตาไก่โลหะ
หมวดหมู่ที่เกี่ยวข้อง
ส่งคำถาม
โปรดส่งคำถามของคุณในแบบฟอร์มด้านล่าง เราจะตอบกลับคุณภายใน 24 ชั่วโมง
X
เราใช้คุกกี้เพื่อมอบประสบการณ์การท่องเว็บที่ดีขึ้น วิเคราะห์การเข้าชมไซต์ และปรับแต่งเนื้อหาในแบบของคุณ การใช้ไซต์นี้แสดงว่าคุณยอมรับการใช้คุกกี้ของเรา นโยบายความเป็นส่วนตัว