ตาไก่ PCB

ตาไก่ PCB

ตาไก่ PCB คือวงแหวนโลหะขนาดเล็กที่ออกแบบมาเพื่อติดตั้งในแผงวงจร อาจดูเรียบง่ายแต่มีบทบาทสำคัญ ผู้คนใช้สิ่งเหล่านี้เพื่อสร้างรูที่แข็งแกร่งและเชื่อถือได้ใน PCB ส่วนประกอบเล็กๆ นี้ช่วยให้แน่ใจว่าการเชื่อมต่อจะไม่ได้รับความเสียหายระหว่างการประกอบหรือการใช้งาน Nuote Metals ยินดีที่จะช่วยให้คุณทราบข้อมูลเพิ่มเติมเกี่ยวกับรูร้อยสำหรับ PCB

ส่งคำถาม

รายละเอียดสินค้า

การแนะนำตาไก่ PCB

งานหลักของรูร้อยสาย PCB คือการเสริมกำลังรู โดยทั่วไปจะทำจากทองเหลืองและมักชุบด้วยดีบุกหรือบัดกรี ทำให้ง่ายต่อการบัดกรีส่วนประกอบต่างๆ เมื่อกดเข้าไปในบอร์ด รูไก่ PCB จะช่วยเสริมความแข็งแรงให้กับรู เพื่อป้องกันรอยแตกร้าวในรอยทองแดง มันทำหน้าที่เหมือนปลอกหุ้มที่ทนทานซึ่งช่วยปกป้องวัสดุแผงวงจรที่ละเอียดอ่อน


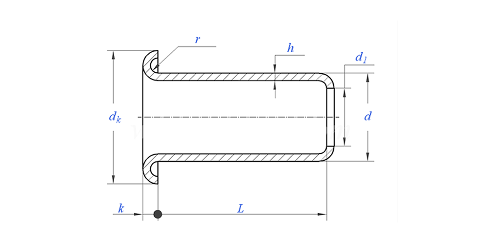
ตาไก่ PCB วาดดังต่อไปนี้:

พารามิเตอร์ตาไก่ PCB (สเปค)



วัสดุ ทองเหลือง
การรักษาพื้นผิว สะอาด ชุบซิงค์ ชุบนิกเกิล ชุบเงิน ตามความต้องการ
ใบรับรอง เป็นไปตามข้อกำหนด Rohs
เส้นผ่านศูนย์กลางก้าน 0.8-10มม
ความอดทน +/-0.05มม
แอปพลิเคชัน เหมาะสำหรับใช้ในอุตสาหกรรมต่างๆ เช่น ยานยนต์ การบินและอวกาศ ไฟฟ้า และอิเล็กทรอนิกส์ เป็นต้น
การควบคุมคุณภาพ การตรวจสอบตลอดช่วงการผลิต 100% ช่วยให้มั่นใจได้ว่าผลิตภัณฑ์แต่ละชิ้นเป็นไปตามมาตรฐาน ISO รับประกันผลิตภัณฑ์คุณภาพสูง



การประยุกต์ใช้ตาไก่ PCB แสดง:


คุณสมบัติและการประยุกต์ใช้ตาไก่ PCB

คุณจะพบรูร้อยสาย PCB ที่ใช้ในผลิตภัณฑ์อิเล็กทรอนิกส์หลายชนิด เหมาะสำหรับสถานที่ที่ต้องการจุดเชื่อมต่อที่แข็งแกร่ง เช่น หม้อแปลงไฟฟ้าหรือขาส่วนประกอบขนาดใหญ่ รูร้อยสาย PCB ก็พบได้ทั่วไปในจุดทดสอบ ซึ่งโพรบอาจเชื่อมต่อซ้ำๆ ในสวิตช์หรือตัวเชื่อมต่อ รูร้อย PCB ช่วยให้แน่ใจว่าแรงเค้นเชิงกลอยู่ที่ปลอกโลหะ ไม่ใช่ตัวบอร์ดที่เปราะบาง สิ่งเหล่านี้จำเป็นสำหรับการผลิตอุปกรณ์อิเล็กทรอนิกส์ที่มีอายุการใช้งานยาวนาน


รายละเอียดการผลิตตาไก่ PCB

ข้อมูลการบรรจุ

คำถามที่พบบ่อย:

Q1: MOQ ของคุณสำหรับตาไก่ PCB คืออะไร?

ขั้นต่ำสำหรับหมุดย้ำคือ 20,000 ชิ้น


Q2: คุณสามารถปรับแต่งด้วยรูปวาดของเราได้หรือไม่?

ใช่ หมุดย้ำแบบท่อส่วนใหญ่ของเราตัดเย็บตามแบบของลูกค้า


คำถามที่ 3: คุณสามารถจัดหาตัวอย่างหมุดย้ำกลวงฟรีได้หรือไม่

เราสามารถจัดเตรียมตัวอย่างฟรีสำหรับขนาดที่เรามีในสต็อก แต่ลูกค้าจะชำระค่าธรรมเนียมด่วน


Q4: เวลาในการจัดส่งของคุณคือเท่าไร?

ขนาดของหมุดย้ำในสต็อก: 3-5 วัน หมุดที่ไม่ได้มาตรฐาน: 15-25 วัน เราจะทำการจัดส่งโดยเร็วที่สุดด้วยคุณภาพการรับประกัน


Q5: คุณภาพของผลิตภัณฑ์ของคุณ?

บริษัทมีอุปกรณ์การผลิตและการทดสอบขั้นสูง ผลิตภัณฑ์ทุกชิ้นจะได้รับการตรวจสอบโดยแผนก QC ของเรา 100% ก่อนจัดส่ง


คำถามที่ 6: ทำไมเราถึงเลือก Nuote Technology

1.We Nuote เคารพข้อกำหนดของลูกค้าเพื่อปกป้องโครงการความเป็นส่วนตัวของลูกค้า

2. คุณภาพสูงด้วยราคาที่น่าดึงดูด

3. ระยะเวลารอคอยที่รวดเร็ว

4.ข้อตกลงที่มีความสุขและความซื่อสัตย์ต่อลูกค้าและคู่ค้า

5. โฆษณาขายมืออาชีพตอบคำถามของคุณภายใน 8 ชั่วโมง

6.ผลิตภัณฑ์และบริการของ Nuote จำหน่ายไปยังกว่า 70 ประเทศและมีชื่อเสียงที่ดี


แท็กยอดนิยม: ตาไก่ PCB, ตาไก่สำหรับ PCB, ตาไก่ PCB จีน
หมวดหมู่ที่เกี่ยวข้อง
ส่งคำถาม
โปรดส่งคำถามของคุณในแบบฟอร์มด้านล่าง เราจะตอบกลับคุณภายใน 24 ชั่วโมง
X
เราใช้คุกกี้เพื่อมอบประสบการณ์การท่องเว็บที่ดีขึ้น วิเคราะห์การเข้าชมไซต์ และปรับแต่งเนื้อหาในแบบของคุณ การใช้ไซต์นี้แสดงว่าคุณยอมรับการใช้คุกกี้ของเรา นโยบายความเป็นส่วนตัว