ตาไก่สแตนเลส 316

ตาไก่สแตนเลส 316

ที่โรงงานในตงกวนของเรา Nuote Metals ผลิตรูร้อยสายสแตนเลส 316 ที่ทนทาน วัสดุนี้มีความพิเศษเพราะทนทานต่อการเกิดสนิมได้เป็นอย่างดี เราผลิตรูร้อยสายสแตนเลส 316 มาหลายปีแล้ว ตาไก่เหล่านี้มีความแข็งแรงและใช้งานได้นาน เราสร้างมันขึ้นมาในขนาดต่างๆ บางส่วนมีขนาดเล็กสำหรับผลิตภัณฑ์ที่ละเอียดอ่อน บางตัวมีขนาดใหญ่สำหรับการใช้งานหนัก ทีมงานของเราตรวจสอบรูร้อยสายสแตนเลส 316 ทุกอัน พวกเขารับประกันว่าแต่ละชิ้นจะเรียบเนียนและสะอาด ลูกค้าหลายรายเลือกรูร้อยสายสแตนเลส 316 ของเรา พวกเขาไว้วางใจในคุณภาพและความทนทาน เราสามารถจัดเตรียมตัวอย่างได้ภายในไม่กี่วัน

ส่งคำถาม

รายละเอียดสินค้า

บทนำตาไก่สแตนเลส 316

ตาไก่สแตนเลส 316 ทำจากเหล็กคุณภาพสูง เหล็กนี้มีโมลิบดีนัม นั่นทำให้ตาไก่สแตนเลส 316 ต้านทานการกัดกร่อนได้ดีขึ้น พวกเขาไม่เป็นสนิมในน้ำเค็มหรืออากาศชื้น ตาไก่เหล่านี้ยังแข็งแรงภายใต้แรงกดดันอีกด้วย ไม่โค้งงอหรือแตกหักง่าย ในการผลิตตาไก่สแตนเลส 316 เราใช้เครื่องจักรที่มีความแม่นยำ เครื่องจักรจะตัดและขึ้นรูปเหล็กให้เป็นวงแหวนที่สมบูรณ์แบบ จากนั้นเราขัดตาไก่สแตนเลส 316 แต่ละอัน ทำให้ได้งานสวยงามและขอบเรียบ


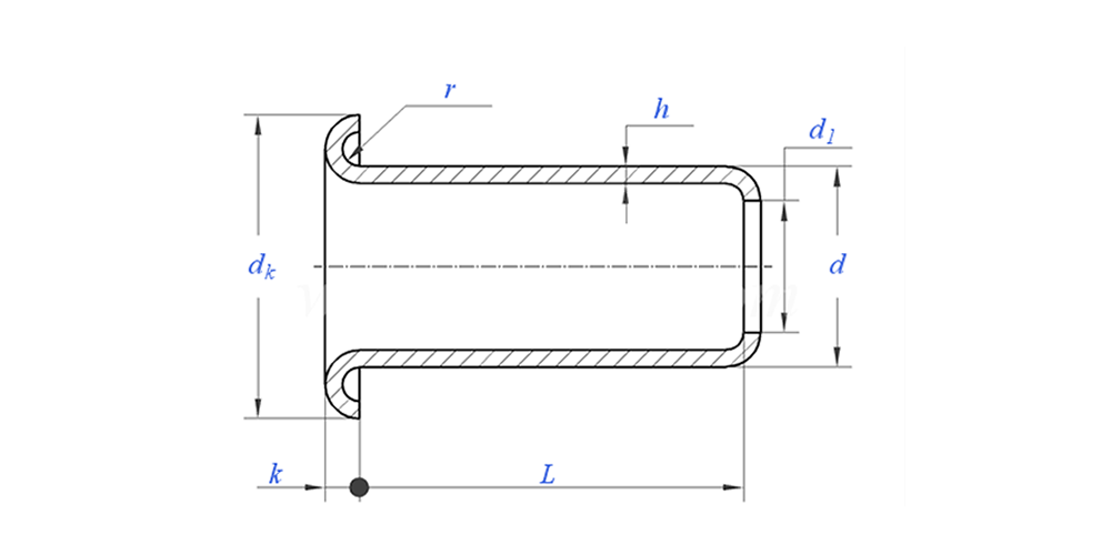
ตาไก่สแตนเลส 316 รูปวาดดังต่อไปนี้:

พารามิเตอร์ตาไก่สแตนเลส 316 (ข้อมูลจำเพาะ)



วัสดุ สแตนเลส
การรักษาพื้นผิว สะอาด ชุบซิงค์ ชุบนิกเกิล ชุบเงิน ตามความต้องการ
ใบรับรอง เป็นไปตามข้อกำหนด Rohs
เส้นผ่านศูนย์กลางก้าน 0.8-10มม
ความอดทน +/-0.05มม
แอปพลิเคชัน เหมาะสำหรับใช้ในอุตสาหกรรมต่างๆ เช่น ยานยนต์ การบินและอวกาศ ไฟฟ้า และอิเล็กทรอนิกส์ เป็นต้น
การควบคุมคุณภาพ การตรวจสอบตลอดช่วงการผลิต 100% ช่วยให้มั่นใจได้ว่าผลิตภัณฑ์แต่ละชิ้นเป็นไปตามมาตรฐาน ISO รับประกันผลิตภัณฑ์คุณภาพสูง


คุณสมบัติและการใช้งานตาไก่สแตนเลส 316

ตาไก่สแตนเลส 316 ใช้ในสภาพแวดล้อมที่ยากลำบาก อุปกรณ์เรือและทางทะเลใช้สิ่งเหล่านี้เนื่องจากน้ำเค็ม อุปกรณ์ติดตั้งกลางแจ้งใช้ในทุกสภาพอากาศ โรงงานเคมีบางครั้งต้องการสิ่งเหล่านี้เนื่องจากมีความต้านทาน อุปกรณ์แปรรูปอาหารก็ใช้ได้เช่นกัน อุปกรณ์กิจกรรมกลางแจ้งคุณภาพสูงจำเป็นต้องมีรูร้อยเหล่านี้ แม้แต่โครงการทางสถาปัตยกรรมก็ยังใช้รูสแตนเลส 316 ในการตกแต่งและการใช้งาน พวกเขาจะถูกเลือกในบริเวณที่ตาไก่ธรรมดาจะเกิดสนิม ลูกค้าของเราไว้วางใจรูร้อยสแตนเลส 316 สำหรับการใช้งานที่สำคัญ พวกเขารู้ดีว่าตาไก่เหล่านี้จะทำงานได้ดีและดูดีไปอีกหลายปี เราภูมิใจที่ได้สร้างผลิตภัณฑ์ที่เชื่อถือได้เช่นนี้ในตงกวน


รายละเอียดตาไก่สแตนเลส 316


คำถามที่พบบ่อย:

Q1: อะไรคือขั้นต่ำของคุณสำหรับตาไก่สแตนเลส 316?

ขั้นต่ำสำหรับหมุดย้ำคือ 20,000 ชิ้น


Q2: คุณสามารถปรับแต่งด้วยรูปวาดของเราได้หรือไม่?

ใช่ หมุดย้ำแบบท่อส่วนใหญ่ของเราตัดเย็บตามแบบของลูกค้า


คำถามที่ 3: คุณสามารถจัดหาตัวอย่างหมุดย้ำกลวงฟรีได้หรือไม่

เราสามารถจัดเตรียมตัวอย่างฟรีสำหรับขนาดที่เรามีในสต็อก แต่ลูกค้าจะชำระค่าธรรมเนียมด่วน


Q4: เวลาจัดส่งของคุณคือเท่าไร?

ขนาดของหมุดย้ำในสต็อก: 3-5 วัน หมุดที่ไม่ได้มาตรฐาน: 15-25 วัน เราจะทำการจัดส่งโดยเร็วที่สุดด้วยคุณภาพการรับประกัน


Q5: คุณภาพของผลิตภัณฑ์ของคุณ?

บริษัทมีอุปกรณ์การผลิตและการทดสอบขั้นสูง ผลิตภัณฑ์ทุกชิ้นจะได้รับการตรวจสอบโดยแผนก QC ของเรา 100% ก่อนจัดส่ง


คำถามที่ 6: ทำไมเราถึงเลือก Nuote Technology

1.We Nuote เคารพข้อกำหนดของลูกค้าเพื่อปกป้องโครงการความเป็นส่วนตัวของลูกค้า

2. คุณภาพสูงด้วยราคาที่น่าดึงดูด

3. ระยะเวลารอคอยที่รวดเร็ว

4.ข้อตกลงที่มีความสุขและความซื่อสัตย์ต่อลูกค้าและคู่ค้า

5. โฆษณาขายมืออาชีพตอบคำถามของคุณภายใน 8 ชั่วโมง

6.ผลิตภัณฑ์และบริการของ Nuote จำหน่ายไปยังกว่า 70 ประเทศและมีชื่อเสียงที่ดี

แท็กยอดนิยม: ตาไก่สแตนเลส 316, ตาไก่ SUS316L, ตาไก่สแตนเลสจีน
หมวดหมู่ที่เกี่ยวข้อง
ส่งคำถาม
โปรดส่งคำถามของคุณในแบบฟอร์มด้านล่าง เราจะตอบกลับคุณภายใน 24 ชั่วโมง
X
เราใช้คุกกี้เพื่อมอบประสบการณ์การท่องเว็บที่ดีขึ้น วิเคราะห์การเข้าชมไซต์ และปรับแต่งเนื้อหาในแบบของคุณ การใช้ไซต์นี้แสดงว่าคุณยอมรับการใช้คุกกี้ของเรา นโยบายความเป็นส่วนตัว