ตาไก่ Oilcan

ตาไก่ Oilcan

ตาไก่ถังน้ำมันสแตนเลสเป็นวงแหวนขนาดเล็กพิเศษที่ใช้ในถังน้ำมัน ตั้งชื่อตามการใช้งานแบบคลาสสิกในกระป๋องน้ำมันแบบดั้งเดิม Nuote Metals ในเมืองตงกวน ประเทศจีน ผลิตตาไก่กระป๋องน้ำมันสแตนเลสที่เชื่อถือได้ซึ่งมีขนาดแตกต่างกัน

ส่งคำถาม

รายละเอียดสินค้า

การแนะนำตาไก่สแตนเลสสำหรับกระป๋องน้ำมัน

ตาไก่ถังน้ำมันเหล่านี้ทำจากสแตนเลสชิ้นเดียว ทำให้มีความแข็งแรงและทนทานต่อการเกิดสนิมซึ่งสำคัญมากต่อการใช้งานที่ยาวนาน การออกแบบประกอบด้วยจุดศูนย์กลางกลวงและร่องที่ขึ้นรูปไว้ล่วงหน้า ร่องนี้ช่วยให้ง่ายต่อการย้ำรูรูถังน้ำมันเข้ากับรูแผ่นโลหะอย่างแน่นหนาโดยไม่ต้องใช้ความพยายามมากนัก การติดตั้งรวดเร็ว ทำให้เกิดการซีลที่แน่นหนาและถาวร


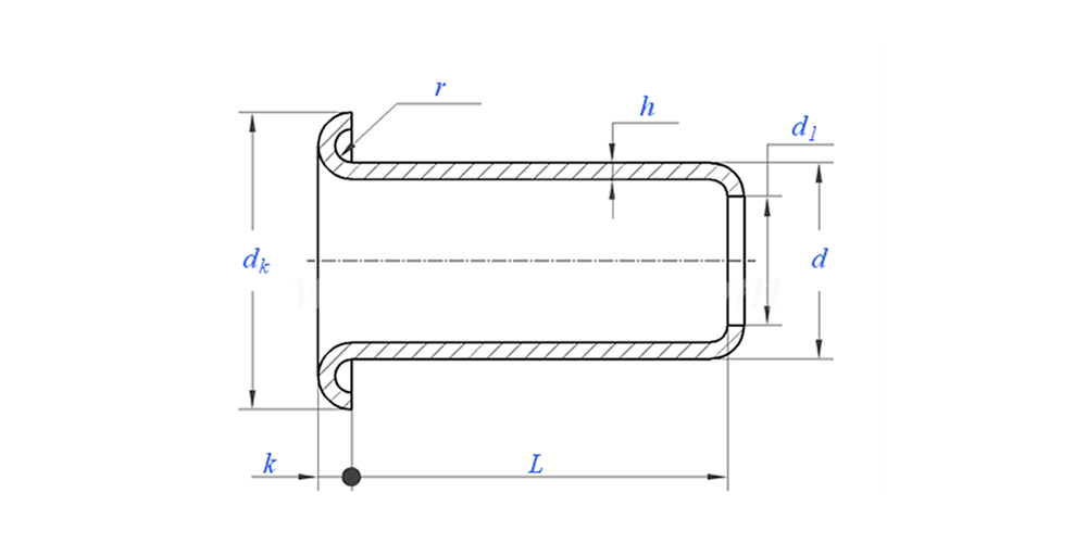
ตาไก่สแตนเลสสำหรับการวาดภาพ olican ดังต่อไปนี้:

ตาไก่ oilcan แสดงการใช้งาน:

พารามิเตอร์ผลิตภัณฑ์ (ข้อมูลจำเพาะ)


วัสดุ สแตนเลส304
การรักษาพื้นผิว สะอาด ชุบซิงค์ ชุบนิกเกิล ชุบเงิน ตามความต้องการ
ใบรับรอง เป็นไปตามข้อกำหนด Rohs
เส้นผ่านศูนย์กลางก้าน 0.8-10มม
ความอดทน +/-0.05มม
แอปพลิเคชัน เหมาะสำหรับใช้ในอุตสาหกรรมต่างๆ เช่น ยานยนต์ การบินและอวกาศ ไฟฟ้า และอิเล็กทรอนิกส์ เป็นต้น
การควบคุมคุณภาพ

การตรวจสอบตลอดช่วงการผลิต 100% ช่วยให้มั่นใจได้ว่าผลิตภัณฑ์แต่ละชิ้นเป็นไปตามมาตรฐาน ISO รับประกันผลิตภัณฑ์คุณภาพสูง


คุณสมบัติของผลิตภัณฑ์และการใช้งาน

คุณจะพบรูร้อยถังน้ำมันเหล่านี้ตรงจุดที่ต้องการมากที่สุด: บนหัวฉีดของถังน้ำมัน พวกมันจะสร้างรูเรียบและเสริมความแข็งแรงเพื่อให้น้ำมันไหลผ่านได้ ส่วนที่เรียบง่ายนี้ทำให้กระป๋องใช้งานได้ง่ายและสะอาดขึ้น นอกจากนี้ยังทำให้พวยกาแข็งแรงขึ้นมาก จึงไม่สึกหรอง่าย หากไม่มีรูร้อยถังน้ำมันที่ดี ขอบโลหะอาจหยาบและทำให้เกิดการรั่วไหลได้ นั่นเป็นเหตุผลว่าทำไมชิ้นส่วนเล็กๆ นี้จึงมีความสำคัญมากสำหรับถังน้ำมันที่เชื่อถือได้


รายละเอียดการผลิตตาไก่ oilcan

ข้อมูลการบรรจุ


คำถามที่พบบ่อย:

Q1: MOQ ของคุณสำหรับตาไก่กระป๋องน้ำมันคืออะไร?

ขั้นต่ำสำหรับหมุดย้ำคือ 20,000 ชิ้น


Q2: คุณสามารถปรับแต่งด้วยรูปวาดของเราได้หรือไม่?

ใช่ หมุดย้ำแบบท่อส่วนใหญ่ของเราตัดเย็บตามแบบของลูกค้า


คำถามที่ 3: คุณสามารถจัดหาตัวอย่างหมุดย้ำกลวงฟรีได้หรือไม่

เราสามารถจัดเตรียมตัวอย่างฟรีสำหรับขนาดที่เรามีในสต็อก แต่ลูกค้าจะชำระค่าธรรมเนียมด่วน


Q4: เวลาจัดส่งของคุณคือเท่าไร?

ขนาดของหมุดย้ำในสต็อก: 3-5 วัน หมุดที่ไม่ได้มาตรฐาน: 15-25 วัน เราจะทำการจัดส่งโดยเร็วที่สุดด้วยคุณภาพการรับประกัน


Q5: คุณภาพของผลิตภัณฑ์ของคุณ?

บริษัทมีอุปกรณ์การผลิตและการทดสอบขั้นสูง ผลิตภัณฑ์ทุกชิ้นจะได้รับการตรวจสอบโดยแผนก QC ของเรา 100% ก่อนจัดส่ง


คำถามที่ 6: ทำไมเราถึงเลือก Nuote Technology

1.We Nuote เคารพข้อกำหนดของลูกค้าเพื่อปกป้องโครงการความเป็นส่วนตัวของลูกค้า

2. คุณภาพสูงด้วยราคาที่น่าดึงดูด

3. ระยะเวลารอคอยที่รวดเร็ว

4.ข้อตกลงที่มีความสุขและความซื่อสัตย์ต่อลูกค้าและคู่ค้า

5. โฆษณาขายมืออาชีพตอบคำถามของคุณภายใน 8 ชั่วโมง

6.ผลิตภัณฑ์และบริการของ Nuote จำหน่ายไปยังกว่า 70 ประเทศและมีชื่อเสียงที่ดี





แท็กยอดนิยม: ตาไก่ Oilcan, ตาไก่สำหรับ Oilcan, ตาไก่สแตนเลสสำหรับ Oilcan
ส่งคำถาม
โปรดส่งคำถามของคุณในแบบฟอร์มด้านล่าง เราจะตอบกลับคุณภายใน 24 ชั่วโมง
X
We use cookies to offer you a better browsing experience, analyze site traffic and personalize content. By using this site, you agree to our use of cookies. Privacy Policy