ตาไก่สแตนเลส

ตาไก่สแตนเลส

เราคือ Nuote Metals จากตงกวนประเทศจีน โรงงานของเราผลิตตาไก่สเตนเลสคุณภาพสำหรับอุตสาหกรรมต่างๆ เราผลิตตาไก่สเตนเลสมาหลายปีแล้ว เราใช้วัสดุสแตนเลสอย่างดี วัสดุนี้ทำให้ตาไก่สเตนเลสของเราแข็งแรงและไม่เป็นสนิม เราทำตาไก่สแตนเลสหลายขนาด บางส่วนมีขนาดเล็กสำหรับอุปกรณ์อิเล็กทรอนิกส์ บางส่วนมีขนาดใหญ่สำหรับผลิตภัณฑ์กลางแจ้ง ตาไก่สแตนเลสทุกอันได้รับการตรวจสอบโดยพนักงานของเรา พวกเขาดูแต่ละชิ้นอย่างระมัดระวัง ลูกค้าหลายรายเลือกตาไก่สเตนเลสของเราเพราะใช้งานได้ดีและมีอายุการใช้งานยาวนาน เราสามารถสร้างตัวอย่างได้อย่างรวดเร็วสำหรับโครงการใหม่

ส่งคำถาม

รายละเอียดสินค้า

แนะนำตาไก่สแตนเลส

ตาไก่สแตนเลสเป็นวงแหวนโลหะที่ทำจากสแตนเลส ใช้เพื่อเสริมรูในวัสดุ ตาไก่สแตนเลสช่วยปกป้องรูจากความเสียหาย รักษารูปร่างไว้ได้แม้จะดึงแรงๆ ตาไก่สแตนเลสเหล่านี้ไม่เป็นสนิมในสภาพเปียก พวกเขาคงความเงางามและแข็งแกร่งมานานหลายปี การใส่ตาไก่สแตนเลสต้องใช้เครื่องจักรพิเศษ เครื่องกดรูสแตนเลสเข้าไปในวัสดุ เมื่อติดตั้งแล้วก็จะอยู่กับที่อย่างมั่นคง ทำให้ผลิตภัณฑ์ดีขึ้นและคงทนมากขึ้น



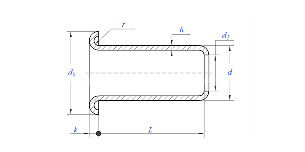
พารามิเตอร์ตาไก่สแตนเลส (สเปค)



วัสดุ สแตนเลส
การรักษาพื้นผิว สะอาด ชุบซิงค์ ชุบนิกเกิล ชุบเงิน ตามความต้องการ
ใบรับรอง เป็นไปตามข้อกำหนด Rohs
เส้นผ่านศูนย์กลางก้าน 0.8-10มม
ความอดทน +/-0.05มม
แอปพลิเคชัน เหมาะสำหรับใช้ในอุตสาหกรรมต่างๆ เช่น ยานยนต์ การบินและอวกาศ ไฟฟ้า และอิเล็กทรอนิกส์ เป็นต้น
การควบคุมคุณภาพ การตรวจสอบตลอดช่วงการผลิต 100% ช่วยให้มั่นใจได้ว่าผลิตภัณฑ์แต่ละชิ้นเป็นไปตามมาตรฐาน ISO รับประกันผลิตภัณฑ์คุณภาพสูง


ตาไก่สแตนเลสรูปวาดดังต่อไปนี้:

การแสดงแอปพลิเคชัน:


คุณสมบัติและการใช้งานตาไก่สแตนเลส

ตาไก่สแตนเลสมีประโยชน์หลายอย่าง รองเท้าและรองเท้าบูทต้องใช้ตาไก่สแตนเลสสำหรับผูกเชือก อุปกรณ์กิจกรรมกลางแจ้งใช้ตาไก่สแตนเลสสำหรับเชือกและสายไฟ กระเป๋าและสัมภาระต้องมีตาไก่สแตนเลสสำหรับสายรัด เต็นท์และผ้าใบกันน้ำต้องใช้ตาไก่สแตนเลสในการมัด อุปกรณ์อิเล็กทรอนิกส์บางครั้งใช้รูสแตนเลสขนาดเล็กสำหรับสายไฟ อุปกรณ์ทางทะเลจำเป็นต้องใช้รูตาไก่สเตนเลสเนื่องจากทนทานต่อน้ำเค็ม ตาไก่สแตนเลสเหล่านี้ทำให้ผลิตภัณฑ์เชื่อถือได้และมีอายุการใช้งานยาวนาน ลูกค้าของเราไว้วางใจตาไก่สแตนเลสของเราสำหรับผลิตภัณฑ์ที่สำคัญของพวกเขา พวกเขารู้ดีว่าตาไก่สเตนเลสของเราจะทำงานได้ดีในทุกสภาวะ


ข้อมูลการบรรจุ

รายละเอียดการผลิตตาไก่สแตนเลส


คำถามที่พบบ่อย:

Q1: อะไรคือขั้นต่ำของคุณสำหรับตาไก่สแตนเลส?

ขั้นต่ำสำหรับหมุดย้ำคือ 20,000 ชิ้น


Q2: คุณสามารถปรับแต่งด้วยรูปวาดของเราได้หรือไม่?

ใช่ หมุดย้ำแบบท่อส่วนใหญ่ของเราตัดเย็บตามแบบของลูกค้า


คำถามที่ 3: คุณสามารถจัดหาตัวอย่างหมุดย้ำกลวงฟรีได้หรือไม่

เราสามารถจัดเตรียมตัวอย่างฟรีสำหรับขนาดที่เรามีในสต็อก แต่ลูกค้าจะชำระค่าธรรมเนียมด่วน


Q4: เวลาในการจัดส่งของคุณคือเท่าไร?

ขนาดของหมุดย้ำในสต็อก: 3-5 วัน หมุดที่ไม่ได้มาตรฐาน: 15-25 วัน เราจะทำการจัดส่งโดยเร็วที่สุดด้วยคุณภาพการรับประกัน


Q5: คุณภาพของผลิตภัณฑ์ของคุณ?

บริษัทมีอุปกรณ์การผลิตและการทดสอบขั้นสูง ผลิตภัณฑ์ทุกชิ้นจะได้รับการตรวจสอบโดยแผนก QC ของเรา 100% ก่อนจัดส่ง


คำถามที่ 6: ทำไมเราถึงเลือก Nuote Technology

1.We Nuote เคารพข้อกำหนดของลูกค้าเพื่อปกป้องโครงการความเป็นส่วนตัวของลูกค้า

2. คุณภาพสูงด้วยราคาที่น่าดึงดูด

3. ระยะเวลารอคอยที่รวดเร็ว

4.ข้อตกลงที่มีความสุขและความซื่อสัตย์ต่อลูกค้าและคู่ค้า

5. โฆษณาขายมืออาชีพตอบคำถามของคุณภายใน 8 ชั่วโมง

6.ผลิตภัณฑ์และบริการของ Nuote จำหน่ายไปยังกว่า 70 ประเทศและมีชื่อเสียงที่ดี


แท็กยอดนิยม: ตาไก่สแตนเลส, ผู้ผลิตตาไก่สแตนเลส, ตาไก่สแตนเลสของจีน
หมวดหมู่ที่เกี่ยวข้อง
ส่งคำถาม
โปรดส่งคำถามของคุณในแบบฟอร์มด้านล่าง เราจะตอบกลับคุณภายใน 24 ชั่วโมง
X
เราใช้คุกกี้เพื่อมอบประสบการณ์การท่องเว็บที่ดีขึ้น วิเคราะห์การเข้าชมไซต์ และปรับแต่งเนื้อหาในแบบของคุณ การใช้ไซต์นี้แสดงว่าคุณยอมรับการใช้คุกกี้ของเรา นโยบายความเป็นส่วนตัว