หมุดย้ำตาไก่

หมุดย้ำตาไก่

หมุดย้ำตาไก่เป็นสกรูขนาดเล็กแต่มีประโยชน์ มีรูปร่างคล้ายท่อสั้นและมักทำจากทองเหลืองหรือเหล็กกล้า เมื่อติดตั้งแล้ว หางของหมุดย้ำจะบานออกเพื่อยึดวัสดุเข้าด้วยกันอย่างแน่นหนา บริษัทหลายแห่งทั่วโลกผลิตส่วนประกอบที่เชื่อถือได้เหล่านี้ Nuote Metals ซึ่งตั้งอยู่ในเมืองตงกวน ประเทศจีน เป็นผู้ผลิตหมุดย้ำตาไก่ที่มีคุณภาพ

ส่งคำถาม

รายละเอียดสินค้า

การแนะนำหมุดย้ำตาไก่

หมุดย้ำตาไก่ทำงานโดยสร้างการยึดเหนี่ยวอย่างถาวรระหว่างวัสดุ ต่างจากหมุดย้ำแข็งตรงที่มีจุดศูนย์กลางกลวง รูนี้ทำให้รีเวทตาไก่มีน้ำหนักเบา นอกจากนี้ยังสามารถปล่อยให้สายไฟหรือสายเคเบิลขนาดเล็กผ่านไปได้ การใส่หมุดย้ำตาไก่ทำได้ง่ายและรวดเร็ว นั่นคือเหตุผลที่โรงงานหลายแห่งชอบใช้มัน


พารามิเตอร์ผลิตภัณฑ์ (ข้อมูลจำเพาะ)

วัสดุ ทองเหลือง, เหล็ก, อลูมิเนียม, สแตนเลส, ทองแดง
การรักษาพื้นผิว Du kan hitta öljettnit i många vardagliga saker. Den används i skor för snören och i väskor för remmarna. Denna lilla del är också mycket viktig inom elektronik och bilar. Den håller ihop olika material ordentligt. Öljeniten är en enkel men pålitlig lösning för många monteringsbehov.
ใบรับรอง เป็นไปตามข้อกำหนด Rohs
เส้นผ่านศูนย์กลางก้าน วัสดุ
ความอดทน +/-0.05มม
แอปพลิเคชัน เหมาะสำหรับใช้ในอุตสาหกรรมต่างๆ เช่น ยานยนต์ การบินและอวกาศ ไฟฟ้า และอิเล็กทรอนิกส์ เป็นต้น
การควบคุมคุณภาพ การตรวจสอบตลอดช่วงการผลิต 100% ช่วยให้มั่นใจได้ว่าผลิตภัณฑ์แต่ละชิ้นเป็นไปตามมาตรฐาน ISO รับประกันผลิตภัณฑ์คุณภาพสูง



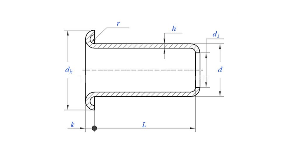
การวาดหมุดย้ำตาไก่ดังต่อไปนี้:


คุณสมบัติของผลิตภัณฑ์และการใช้งาน

คุณสามารถหาหมุดย้ำตาไก่ได้ในชีวิตประจำวันมากมาย ใช้ในรองเท้าสำหรับผูกเชือกรองเท้าและในกระเป๋าสำหรับสายรัด ส่วนเล็กๆ นี้ยังมีความสำคัญมากในด้านอิเล็กทรอนิกส์และรถยนต์อีกด้วย ยึดวัสดุต่าง ๆ ไว้ด้วยกันอย่างแน่นหนา หมุดย้ำตาไก่เป็นวิธีการแก้ปัญหาที่เรียบง่ายแต่เชื่อถือได้สำหรับความต้องการในการประกอบหลายประเภท


รายละเอียดการผลิตหมุดย้ำตาไก่

ข้อมูลการบรรจุ

คำถามที่พบบ่อย:

Q1: MOQ ของคุณสำหรับหมุดย้ำตาไก่คืออะไร?

ขั้นต่ำสำหรับหมุดย้ำคือ 20,000 ชิ้น


Q2: คุณสามารถปรับแต่งด้วยรูปวาดของเราได้หรือไม่?

ใช่ หมุดย้ำแบบท่อส่วนใหญ่ของเราตัดเย็บตามแบบของลูกค้า


คำถามที่ 3: คุณสามารถจัดหาตัวอย่างหมุดย้ำกลวงฟรีได้หรือไม่

เราสามารถจัดเตรียมตัวอย่างฟรีสำหรับขนาดที่เรามีในสต็อก แต่ลูกค้าจะชำระค่าธรรมเนียมด่วน


Q4: เวลาในการจัดส่งของคุณคือเท่าไร?

ขนาดของหมุดย้ำในสต็อก: 3-5 วัน หมุดที่ไม่ได้มาตรฐาน: 15-25 วัน เราจะทำการจัดส่งโดยเร็วที่สุดด้วยคุณภาพการรับประกัน


Q5: คุณภาพของผลิตภัณฑ์ของคุณ?

บริษัทมีอุปกรณ์การผลิตและการทดสอบขั้นสูง ผลิตภัณฑ์ทุกชิ้นจะได้รับการตรวจสอบโดยแผนก QC ของเรา 100% ก่อนจัดส่ง


คำถามที่ 6: ทำไมเราถึงเลือก Nuote Technology

1.We Nuote เคารพข้อกำหนดของลูกค้าเพื่อปกป้องโครงการความเป็นส่วนตัวของลูกค้า

2. คุณภาพสูงด้วยราคาที่น่าดึงดูด

3. ระยะเวลารอคอยที่รวดเร็ว

4.ข้อตกลงที่มีความสุขและความซื่อสัตย์ต่อลูกค้าและคู่ค้า

5. โฆษณาขายมืออาชีพตอบคำถามของคุณภายใน 8 ชั่วโมง

6.ผลิตภัณฑ์และบริการของ Nuote จำหน่ายไปยังกว่า 70 ประเทศและมีชื่อเสียงที่ดี


แท็กยอดนิยม: หมุดย้ำตาไก่
ส่งคำถาม
โปรดส่งคำถามของคุณในแบบฟอร์มด้านล่าง เราจะตอบกลับคุณภายใน 24 ชั่วโมง
X
We use cookies to offer you a better browsing experience, analyze site traffic and personalize content. By using this site, you agree to our use of cookies. Privacy Policy