ตาไก่รีเวท

ตาไก่รีเวท

ตาไก่รีเวทเป็นตัวยึดรูปวงแหวนขนาดเล็ก ออกแบบมาให้เจาะรู จากนั้นพับขอบลงเพื่อยึดวัสดุเข้าด้วยกัน Nuote Metals ในตงกวนเป็นโรงงานที่เชื่อถือได้ในการผลิตชิ้นส่วนที่มีประโยชน์เหล่านี้

ส่งคำถาม

รายละเอียดสินค้า

การแนะนำตาไก่หมุดย้ำ

คุณสมบัติหลักของรูร้อยรูหมุดย้ำคือตรงกลางกลวง รูนี้ทำให้เบากว่าหมุดย้ำแข็ง นอกจากนี้ยังช่วยให้สิ่งต่างๆ เช่น สายไฟหรือสายไฟสามารถทะลุผ่านได้ การติดตั้งรูร้อยหมุดย้ำเป็นกระบวนการที่ง่ายและรวดเร็ว ด้วยเหตุนี้จึงได้รับความนิยมอย่างมากสำหรับการผลิต


การแสดงแอปพลิเคชัน:

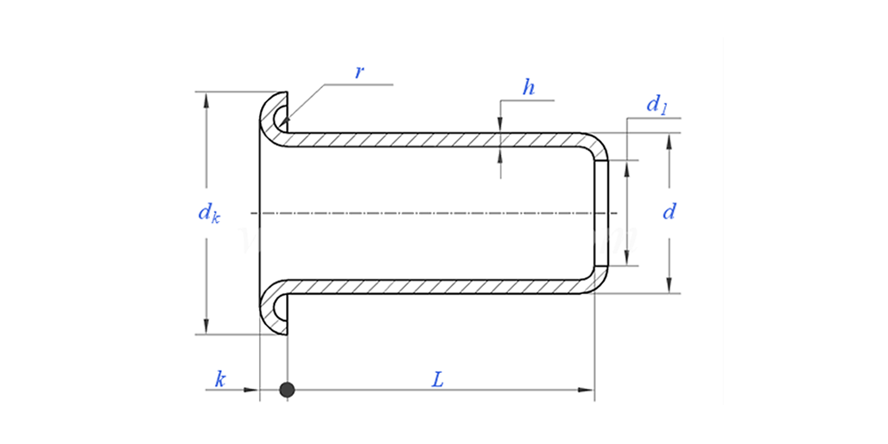
ตาไก่ Rivet วาดดังต่อไปนี้:



พารามิเตอร์ตาไก่รีเวท (สเปค)



วัสดุ ทองเหลือง, เหล็ก, อลูมิเนียม, สแตนเลส, ทองแดง
การรักษาพื้นผิว สะอาด ชุบซิงค์ ชุบนิกเกิล ชุบเงิน ตามความต้องการ
ใบรับรอง เป็นไปตามข้อกำหนด Rohs
เส้นผ่านศูนย์กลางก้าน 0.8-10มม
ความอดทน +/-0.05มม
แอปพลิเคชัน เหมาะสำหรับใช้ในอุตสาหกรรมต่างๆ เช่น ยานยนต์ การบินและอวกาศ ไฟฟ้า และอิเล็กทรอนิกส์ เป็นต้น
การควบคุมคุณภาพ การตรวจสอบตลอดช่วงการผลิต 100% ช่วยให้มั่นใจได้ว่าผลิตภัณฑ์แต่ละชิ้นเป็นไปตามมาตรฐาน ISO รับประกันผลิตภัณฑ์คุณภาพสูง




คุณสมบัติและการใช้งานของตาไก่ Rivet

คุณสามารถพบรูร้อยสายหมุดย้ำได้ในผลิตภัณฑ์ทั่วไปหลายชนิด ใช้ในรองเท้าสำหรับเจาะรูเชือกและในกระเป๋าสำหรับติดสายรัด ยังมีความสำคัญในด้านอิเล็กทรอนิกส์และชิ้นส่วนรถยนต์อีกด้วย ในการใช้งานทั้งหมดนี้ รูร้อยหมุดย้ำให้การเชื่อมต่อที่แข็งแกร่งและยาวนาน


รายละเอียดตาไก่รีเวท

ข้อมูลการบรรจุ

คำถามที่พบบ่อย:

Q1: MOQ ของคุณสำหรับตาไก่หมุดย้ำคืออะไร?

ขั้นต่ำสำหรับหมุดย้ำคือ 20,000 ชิ้น


Q2: คุณสามารถปรับแต่งด้วยรูปวาดของเราได้หรือไม่?

ใช่ หมุดย้ำแบบท่อส่วนใหญ่ของเราตัดเย็บตามแบบของลูกค้า


คำถามที่ 3: คุณสามารถจัดหาตัวอย่างหมุดย้ำกลวงฟรีได้หรือไม่

เราสามารถจัดเตรียมตัวอย่างฟรีสำหรับขนาดที่เรามีในสต็อก แต่ลูกค้าจะชำระค่าธรรมเนียมด่วน


Q4: เวลาจัดส่งของคุณคือเท่าไร?

ขนาดของหมุดย้ำในสต็อก: 3-5 วัน หมุดที่ไม่ได้มาตรฐาน: 15-25 วัน เราจะทำการจัดส่งโดยเร็วที่สุดด้วยคุณภาพการรับประกัน


Q5: คุณภาพของผลิตภัณฑ์ของคุณ?

บริษัทมีอุปกรณ์การผลิตและการทดสอบขั้นสูง ผลิตภัณฑ์ทุกชิ้นจะได้รับการตรวจสอบโดยแผนก QC ของเรา 100% ก่อนจัดส่ง


คำถามที่ 6: ทำไมเราถึงเลือก Nuote Technology

1.We Nuote เคารพข้อกำหนดของลูกค้าเพื่อปกป้องโครงการความเป็นส่วนตัวของลูกค้า

2. คุณภาพสูงด้วยราคาที่น่าดึงดูด

3. ระยะเวลารอคอยที่รวดเร็ว

4.ข้อตกลงที่มีความสุขและความซื่อสัตย์ต่อลูกค้าและคู่ค้า

5. โฆษณาขายมืออาชีพตอบคำถามของคุณภายใน 8 ชั่วโมง

6.ผลิตภัณฑ์และบริการของ Nuote จำหน่ายไปยังกว่า 70 ประเทศและมีชื่อเสียงที่ดี


แท็กยอดนิยม: ตาไก่หมุดย้ำ ผู้ผลิตตาไก่หมุดย้ำของจีน
หมวดหมู่ที่เกี่ยวข้อง
ส่งคำถาม
โปรดส่งคำถามของคุณในแบบฟอร์มด้านล่าง เราจะตอบกลับคุณภายใน 24 ชั่วโมง
X
เราใช้คุกกี้เพื่อมอบประสบการณ์การท่องเว็บที่ดีขึ้น วิเคราะห์การเข้าชมไซต์ และปรับแต่งเนื้อหาในแบบของคุณ การใช้ไซต์นี้แสดงว่าคุณยอมรับการใช้คุกกี้ของเรา นโยบายความเป็นส่วนตัว