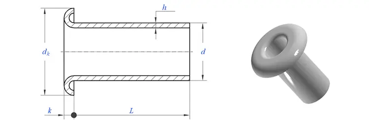
เราสามารถผลิตหมุดย้ำแบบท่อยาวได้มากกว่า 3 ล้านชิ้นต่อวัน ความอดทนมักจะ +/- 0.05 มม. หรือเราสามารถทำตามคำขอของลูกค้าตามรูปวาด เป็นไปตามข้อกำหนด Rohs และมักใช้ในหลอดไฟหรืออุตสาหกรรมอื่นๆ

Q1: MOQ ของคุณสำหรับหมุดกลวงทองเหลืองคืออะไร?
ขั้นต่ำสำหรับหมุดย้ำคือ 20,000 ชิ้น
Q2: คุณสามารถปรับแต่งด้วยรูปวาดของเราได้หรือไม่?
ใช่ หมุดกลวงส่วนใหญ่ของเราตัดเย็บตามรูปวาดของลูกค้า
คำถามที่ 3: คุณสามารถจัดหาตัวอย่างหมุดกลวงฟรีได้หรือไม่
เราสามารถจัดเตรียมตัวอย่างฟรีสำหรับขนาดที่เรามีในสต็อก แต่ลูกค้าจะชำระค่าธรรมเนียมด่วน
Q4: เวลาจัดส่งของคุณคือเท่าไร?
ขนาดของหมุดย้ำในสต็อก: 3-5 วัน หมุดที่ไม่ได้มาตรฐาน: 15-25 วัน เราจะทำการจัดส่งโดยเร็วที่สุดด้วยคุณภาพการรับประกัน
Q5: คุณภาพของผลิตภัณฑ์ของคุณ?
บริษัทมีอุปกรณ์การผลิตและการทดสอบขั้นสูง ผลิตภัณฑ์ทุกชิ้นจะได้รับการตรวจสอบโดยแผนก QC ของเรา 100% ก่อนจัดส่ง
คำถามที่ 6: ทำไมเราถึงเลือก Nuote Technology
1.We Nuote เคารพข้อกำหนดของลูกค้าเพื่อปกป้องโครงการความเป็นส่วนตัวของลูกค้า
2. คุณภาพสูงด้วยราคาที่น่าดึงดูด
3. ระยะเวลารอคอยที่รวดเร็ว
4.ข้อตกลงที่มีความสุขและความซื่อสัตย์ต่อลูกค้าและคู่ค้า
5. โฆษณาขายมืออาชีพตอบคำถามของคุณภายใน 8 ชั่วโมง
6.ผลิตภัณฑ์และบริการของ Nuote จำหน่ายไปยังกว่า 70 ประเทศและมีชื่อเสียงที่ดี